自动泊车技术大爆发,一文带你速览自动泊车技术

发布时间:2024-07-29

泊车场景是自动驾驶落地较早和较广泛的场景之一,自动泊车功能对于很多车主来说很有用。尤其是对于新手司机来说,在驾驶技术还尚未纯熟的阶段,面临泊车这种相对较困难的驾驶场景时,如果能通过车辆配备的自动泊车功能实现辅助泊车或自动泊车将会大大提高驾驶安全性和效率。因此,这些年自动泊车技术也飞速发展,从最开始的半自动到全自动泊车再到近几年推出的记忆泊车和代客泊车,其自动化程度越来越高,场景适应性越来越强。那么自动泊车技术都经历的怎样的发展阶段,又包含哪些关键技术,现在市面上谁家的自动泊车系统最好用呢?本文将带大家一起梳理和回答这些“干货”问题。

发展历程

1.1 发展阶段

根据自动化程度的演进, 自动泊车可分为半自动泊车、全自动泊车、记忆泊车、自主代客泊车四种产品形态,其中, 根据搭载传感器和使用场景的不同,全自动泊车又可分为基于超声波的全自动泊车、超声波融合环视摄像头的全自动泊车、遥控泊车三种形态。随着自动泊车技术的不断迭代,自动泊车功能的实用性也越来越强。

自动泊车发展阶段

1.2 功能定义

半自动泊车(S-APA)

半自动泊车(Semi-Automatic Parking Assist,S-APA) 基于车辆的超声波传感器实现车位感知, 向驾驶员提供车位信息, 并进行路径规划, 系统自动控制车辆转向系统, 驾驶员仅需按照仪表盘的提示对车辆纵向进行控制。

半自动泊车需要驾驶员实时监督,并控制档位、加速和减速,对应 SAE L1 级.

全自动泊车(F-APA)

与半自动泊车相比,全自动泊车(Full-Automatic Parking Assist,F-APA) 更加智能化。全自动泊车系统可以对车辆进行横向和纵向的控制, 同时需要驾驶员对车辆进行持续监控和有效接管,以保障泊车安全,属于 SAE L2 级别的泊车辅助系统。

遥控泊车(RPA)

RPA(Remote Parking Asist)远程遥控泊车辅助系统是在APA自动泊车技术的基础之上发展而来的,车载传感器的配置方案与第一代类似。它的诞生解决了停车后难以打开自车车门的尴尬场景,比如在两边都停了车的车位,或在比较狭窄的停车房。

遥控泊车RPA允许用户在车外一定可视范围内使用遥控装置(手机或钥匙)控制车辆进行泊入、泊出、直进、直出等功能,整个过程中驾驶员必须始终监控车辆状态。

与APA相比,遥控泊车RPA最大的区别就在于泊车过程中驾驶员始终处于车外,如果此时遇到一些安全风险,驾驶员是没有能力在车内及时进行安全处理的。

记忆泊车(HPA)

在全自动泊车基础上, 记忆泊车(Home-Zone Parking Asist,HPA) 可在相对更远距离和更复杂环境中自主完成泊入和泊出操作。记忆泊车建立在 SLAM (Simultaneous Localization and Mapping,即时定位与地图构建)技术基础之上,利用车身传感器,学习、记录并储存用户常用的下车位置、停车地点及泊车行进路径, 建立常用泊车路径的环境特征地图, 车辆再次经过该地点时, 系统将复现用户的泊车路径来代替驾驶员完成停车场内最后一段距离的低速驾 驶和泊车。在外界环境发生较大变化, 记忆泊车功能无法实现时, 记忆泊车系统将要求驾驶员 接管车辆或者返回原来位置,对应 SAE 分级的 L3 级别。

代客泊车(AVP)

自主代客泊车是指用户在指定下客点下车, 通过手机 APP 下达泊车指令, 车辆在接收到指令后可自动行驶到停车场的停车位,不需要用户操纵与监控;用户通过手机 APP 下达取车指令, 车辆在接收到指令后可以从停车位自动行 驶到指定上客点;若多辆车同时收到泊车指令, 可实现多车动态的自动等待进入泊车位。车辆 自动行驶过程中应能遵守道路交通规则,或停车场运营方所制定的场内交通规则。

自动泊车方案演进

系统组成

系统组成

2.1 传感器

APA传感器配置有两种主流方案,一是基于纯超声波雷达的,二是基于全息影像与超声波雷达融合的感知方案。但是纯超声波的感知方案只有空间信息,仅能识别由边界车、路缘确定的车位,不支持由车位线确定的车位。在无障碍物的情况下无法检测到可泊车位。据不完全统计数据显示,国内搭载APA功能的车辆中,基于全息影像与超声波融合方案占比逐年上升,从2018年的6.8%上升至2022年1-5月的48.4%。随着计算平台算力的提升,以及用户对多场景落地方案的要求,超声波与视觉融合感知方案将成为市场主流的自动泊车方案。

自动泊车传感器方案

自动泊车主流车端传感器配置方案

传感器对比

2.2 控制器

泊车控制器,负责将感知系统采集到的信息进行处理和分析,得出车辆当前的位置、目标的位置以及周边的环境,依据这些参数判断是否具备停车条件,计算最优路径规划,生成相应的控制指令,并通过整车网络将泊车过程中所需的转向力矩、转角信息等信息以电信号形式下发到相关执行器,同时要把需要向驾驶员显示的信息按照输出的逻辑和顺序,通知到 HMI 端。

随着自动泊车级别的提升, 各个方案所需的传感器的种类和数目越来越多, 对数据处理的需求也越来越高。一般而言,超声波数据使用微处理器(MCU) 处理即可;摄像头数据处理包括传统的计算机视觉方法和深度学习两种方法,需要使用到系统级芯片(SoC) 上的中央处理器(CPU)、图形处理器(GPU) 、数字信号处理单元(DSP) 、神经网络处理器(NPU) 等处理单元;毫米波雷达和激光雷达数据需要算力更强的 SoC 芯片进行处理。

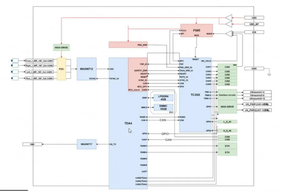
泊车控制器架构 图源:自动泊车行业发展蓝皮书(2021-2025)-高工智能汽车出品目前市场上主流的驾驶辅助功能域控设计方案:

自动驾驶域控制器方案

硬件解决方案

两种主流的硬件解决方案:

1)TC297+TDA2 平台立足于自动泊车的应用

2)TC397+TDA4 平台提供更高的算力和更丰富的内存资源和接口,立足于代客泊车的应用

TC297+TDA2方案

TC397+TDA4方案

下图是映驰科技三J3+S32G的方案。可以看出:一颗J3负责8M主相机处理、一颗J3负责周视和后视处理,第三课J3负责环视处理,最后由S32G中的M7核负责规控(S32G中有三对M7锁步核)

软件解决方案

针对MCU端与SOC端,支持灵活的软件架构方案,以满足多类传感器的数据解析及传输,支持客户开发及功能安全要求。

1)MCU端基于Classic Autosar标准架构

2)SOC端支持Linux/QNX/VxWorks操作系统,支持Adaptive Autosar架构

行泊一体芯片方案

中低端行泊一体芯片:TDA4、J3

中高端行泊一体芯片:OrinX、昇腾610

可以看到,之前泊车系统时有单独的控制器和传感器组成的,而现在都在做行泊一体和舱泊一体的方案,把一个泊车和行车的功能集成到一个控制器中开发实现,或者时将泊车的软件集成到座舱域控中。以上的两种做法不仅降低了系统成本,而且提高了系统的集成度。这一趋势也正是在为即将到来的舱驾一体方案甚至是整车中央控制器架构发展和“靠拢”。

2.3 执行器

执行器主要由4个部件组成(全部必不可少):

VCU(整车控制器):在自动泊车功能中,VCU的主要功能有两个,响应挡位切换、响应扭矩输出实现车辆运动;

ESP(电子稳定程序):主要作用为接收减速度信息实现车辆制动。目前Bosch提供的ESP支持两种制动接口,CDDS与CDDAP。CDDAP为泊车专用接口,通过发送剩余制动距离、紧急制动等信息可以实现更高精度的制动,其精度一般可以控制在10cm内。另外CDDAP也提供了例如二段泄压的接口用于在坡道上起步。

EPB(电子刹车):主要作用泊车结束后使车辆驻车,另外EPB也可以作为制动冗余备份,EPB一般支持在3km/h以下直接响应,可以使车辆刹停。对于钥匙泊车和手机泊车,制动冗余备份是必要的。有部分车型,因成本考虑会把EPB控制器集成在ESP中,此时ESP出现异常,EPB无法起到制动备份的作用。

EPS(电子转向助力):主要作用转动方向盘,实现车辆的横向控制。EPS的接口有两个,扭矩控制与角度控制。扭矩控制的方式一般用于车道保持系统。泊车主要使用角度控制,角度控制其控制精度更高,响应一致性更好,方便轨迹跟踪算法的实现。

2.4 其他关联系统

IP(仪表):主要作用是用于显示车位信息,并且提示泊车进程。

HUT(导航主机):主要作用显示泊车动画,提供泊车按钮;

BCM(车身控制器):提供车辆车门状态。当车门开启时泊车系统应被禁用,车门开启会影响摄像头车位识别精度,另外车门开启,车辆边界改变,存在一定碰撞风险;

PEPS(无钥匙进入系统):转发钥匙信号,实现钥匙遥控泊车。

BLE(蓝牙模块):可以集成在大屏中,但是要满足一定范围的连接距离,主要用于手机操控泊车。为了保证系统安全,防止蓝牙通道恶意攻击劫持,可以使用报文加密及时间戳来保证。手机泊车不使用4G或是5G网络作为连接通道的原因为网络信号容易受到环境干扰及网络延迟。例如,部分地下停车无网络信号,泊车将无法使用。另外关于网络延迟,手机泊车过程中如出现异常,需要保证车辆立即退出泊车。

算法

自动泊车一般分为:环境感知、停车位检测与识别、泊车路径规划、泊车路径跟随控制以及模拟显示五个环节,因此自动泊车算法模块可以细化成:传感器融合、轨迹规划、车辆控制、避障模块、状态管理模块、定位模块。算法框图如下:

自动泊车算法框图

3.1 定位

建图定位模块的关键技术主要包括车辆本身定位和车位地图扫描两个部分。该模块需要完成车辆周围信息的感知和建模,车辆自身的定位和跟踪反馈,所建立的地图和定位信息是自动泊车路径规划和控制决策模块的根本基础,也是决定车辆自动泊车质量的直接因素。根据车辆配置的不同,对自动泊车常用的定位技术总结介绍如下。

3.1.1 航迹推算定位技术

基于航迹推算的定位主要采用惯性导航系统和里程计。

惯性导航系统建立在惯性原理的基础上,由车辆IMU全天候地输出六自由度的信息,包括x、y、z、roll、pitch和yaw。其基本原理是首先由测量的角速度积分推算姿态,根据姿态信息将测量的加速度投影到导航坐标系,进而对投影后的加速度去除重力后进行积分推算位置[4],因此系统误差会随着时间累计成为惯性导航中最大的问题。

里程计定位是基于车辆轮速传感器的应用,通过标定的方法获得单位脉冲的距离,再通过对脉冲计数计算车轮行驶的距离,进而获得车辆的航向角和当前位姿。以图2所示车辆配置传感器的情况为例,对基于轮脉冲的里程计定位算法介绍如下。

(1)脉冲系数标定

以轮脉冲传感器作为定位模块的主要传感器,轮脉冲通过标定可以获取车辆单位脉冲行驶的距离,即脉冲系数。分别标定车辆驱动轮左右两侧脉冲系数,通过脉冲计数可获得车辆行驶距离,如式(1)(2)所示:

式中:SL 、 SR 分别表示左侧驱动轮、右侧驱动轮行驶的距离;NL 、 NR 分别表示左、右驱动轮脉冲系数;LL 、 LR分别表示左、右驱动轮脉冲计数。

(2)车辆EPS转角标定

采用半圆标定法对EPS转角和转弯半径进行标定,原理如图4所示。首先将待标定车辆停在标有直线的测试场地,将车辆的后轴中心与直线重合,控制EPS转角为待标定值,将两后轮外侧对地点标记为 L0L_0 、 R0R_0 ;然后保持EPS转角不变,车辆以较低的速度稳定行驶转过180°,将两后轮外侧对地点标记为 L1L_1 、 R1R_1 ,测量( L0L_0 , L1L_1 )和( R0R_0 , R1R_1 )之间的距离分别为 DLD_L 、 DRD_R ,计算车辆转弯半径为 R=DL+DR2R=\frac{D_L+D_R}{2} 。采用如图5所示表格对EPS转角和转弯半径进行记录,用于定位查表计算。

(3)定位跟踪计算

以后轮驱动、前轮转向车辆为例,对车辆定位推算建立如图6所示模型。

<

通过对左右两侧轮脉冲系数标定得到左右两侧车轮行驶距离,如式(1)(2)所示,可得车辆后轴中心行驶距离如下:S=SL+SR2 (3)S=\frac{S_L+S_R}{2}

利用查表法(图5)获取当前EPS转角下的转弯半径R,由图6可知:

因此,定位模块输出车辆姿态信息如下:

3.1.2 IMU+轮速融合定位

航迹推算算法适用于短行程车辆位姿定位,但该方法存在一些误差。所以需要结合其他方法共同来定位。本方案采用了结合IMU及车辆动力学模型,通过位置估计算法计算短时内高精度位姿变化,通过定位融合算法计算出最终的车辆位姿,其方法流程如下图所示:

航迹推算流程

3.1.3 环境特征匹配定位技术

基于环境特征匹配的定位技术最典型的应用是激光雷达技术。激光雷达以激光为载波,形成点云形式的数据,通过发射信号和反射信号进行测距测速和识别。激光雷达主要由激光发射器、激光接收器和光学扫描镜三部分组成,基本工作过程是激光发射系统将电脉冲转换为光脉冲发出,激光脉冲在障碍物表面发生漫反射,部分反射光束会沿着和入射光束一样的方向返回。在光速已知的情况下,通过测量发射至接收脉冲的时间差计算出距离。

航迹推算定位不易被外界环境(光照,环境复杂度等)干扰, 传感器成熟且成本较低,计算量也小,实时性较高,虽然其是相对定位方法,会受到累 计误差的影响,但考虑到对于泊车系统来说,车辆行驶距离较短,因此累积的误差不会 对系统的运行造成太大的影响。因此,在工程实际中,目前对于低级别的辅助驾驶系统,相对定位方法是采用最多的定位方法。

3.2 感知

自动泊车系统的感知算法主要包括两部分:停车位识别和障碍物识别。其中障碍物识别与行车场景设计类似,因此主要分析停车位的检测算法。

3.2.1 基于自由空间方法

基于自由空间方法是通过识别相邻车辆的周围环境并分析车辆周围的空间结构来实现对可用停车位的检测。常用的传感器有超声波传感器、激光传感器、立体相机、深度相机和其他相机。这些传感器可以感知车辆周围的环境,并为停车位检测提供可靠的参考数据。根据停车位识别方法的不同,基于自由空间的方法可进一步分为基于直接测距的方法、基于概率图的方法和基于三维重建的方法。下面将分析并介绍这三种方法的特点,如表2所示

基于直接测距的停车位检测方法

基于直接测距的方法

基于概率图的停车位检测方法

目前,基于直接测距的停车位探测方法存在许多问题。因此,研究人员使用地图表示方法和数理统计将环境划分为一系列小网格,每个网格都有一个可能的值来表示网格被占用的概率。车辆周围的停车位由网格占用度来估计。这种方法被称为基于概率图的停车位检测方法。

占用栅格地图

基于三维重建的停车位检测方法

基于3D重建的停车位检测方法通过重建车辆周围的三维空间模型来实现停车位的检测。在传统的3D重建过程中,存在大量的伪3D点,并且3D点的密度与检测到的特征数量呈线性关系,无法控制,通过提高3D点的跟踪效率、跟踪密度和重建障碍物模型,可以提高停车位的检测精度。

总结

目前,基于自由空间检测停车位的方法已成为主流方法,该方法只需在车辆上安装廉价的测距传感器,同时,这种方法也存在一定的缺点。该方法的检测性能完全取决于停车位相邻位置停放的车辆,当周围没有停放的车辆时,此方法将失败。

3.2.2 基于停车位标记的方法

基于自由空间的停车位检测方法是最广泛使用的方法,但其性能取决于相邻车辆的姿态和所用传感器的测量精度。因此,如果没有相邻车辆,基于自由空间的停车位检测方法无法正常工作,无法满足驾驶员对停车位检测的需求。因此,研究人员提出了一种基于停车位标记的停车位检测方法,利用计算机视觉技术通过从图像中识别停车位标记来确定停车位的位置。根据检测技术的不同,它可以分为三类:基于直线检测的方法、基于角点检测的方法和基于学习的检测方法。本节将分析并介绍这三种检测方法,如表3所示。

图片

基于直线的停车位检测方法

停车位标记是指特定停车场中由附着在地面上的指南和分隔线组成的停车位。有很多种类型,如矩形停车位、平行四边形停车位和菱形停车位。由于停车位标记由直线段组成,因此检测直线对于寻找停车位至关重要.

基于角点的停车位检测方法

基于传统的停车位直线检测的方法只能检测一种或两种类型的停车位,但停车位的类型很多,如菱形或平行四边形。基于角点特征的停车位检测方法可以检测各种停车位类型并实现各种停车操作。

基于学习的方法

该领域中几乎所有现有的最先进的方法都基于低级视觉特征,例如线段和角点,并检测一些低级视觉算法。由于不可重复的环境变化导致的噪声、杂波或照明变化,这些特征无法明显区分,更糟糕的是,它们是不稳定的。因此,如何在复杂多变的环境中使用视觉方法高效准确地检测停车位仍然是一个难题。为了解决这一问题,研究人员使用深度学习技术,通过基于学习的方法构建神经网络模型,从大量正样本和负样本中训练模型,并实现停车位的检测。

总结:基于停车位标记的方法通过分析道路上的标记来识别停车位,与基于自由空间的方法相反,其性能不取决于相邻停放车辆的存在和位置。然而,这些方法只能在有停车位标记的停车场中正常工作,并且对于停车位标记被遮挡或模糊的情况不适用。

3.3 规划

聚焦到毫米级别的轨迹规划根据输入的行为决策信息、结合车辆实时位姿信息、局部环境信息、全局路径参考信息等,在“安全、舒适、效率”的精神引领下,规划生成一条满足特定约束条件的平滑轨迹轨迹(包括行驶轨迹、速度、方向等),并输入给控制执行层。

3.3.1 Hybrid A*

Hybrid A*是连续坐标系下进行启发式搜索,基于网格地图,挑选满足车辆3d连续状态点并将损失值赋值给该点,即Hybrid A*的搜索空间不仅考虑了x,y方向的拓展,还考虑了航向角方向的探索能够保证生成的轨迹满足车辆动力学约束。

Hybrid A*规划的轨迹由两部分组成,一部分是考虑了车辆动力学的探索节点连接而成的路径;一部分是使用ReedSheeps曲线连接中间点位姿与目标位姿的路径。利用ReedSheeps曲线连接当前节点与目标节点,并对该轨迹进行碰撞检测,若无碰撞,则结束搜索,其规划轨迹位当前路径到目标节点的path1+当前节点回溯到起始节点的路径path2;若碰撞,则放弃该曲线,并从OpenList中重新寻找节点,继续搜索。

3.3.2 圆弧直线几何法

给定一个起点(x,y,theta)和一个终点(x,y,theta),利用数段圆弧-直线将其连接起来,未知量只能有三个。以一段直线+一段圆弧为例,我们三个未知量可分别设为直线长度l,圆弧长度s和圆弧半径r,联立起点终点方程即可求出这三个未知量。

为了方便求解,我们将起点归一化,这样可以列出三组方程。

基于圆弧直线的规划方法是强烈依赖人类先验知识的,以倒车入库为例,一般来说,我们会先尝试一把泊入。如果不能一把泊入,会开到车位附近并尽量将车摆正,然后往前开,再向后尝试泊入。对于一把泊入的场景,我们直接使用直线-圆弧或圆弧-直线或直线-圆弧-直线连接,若连接成功且无碰撞,则代表此车位可一把泊入。如果不能一把泊入,可以先尝试将车开到车位附近,再尝试泊入。我们在车位附近对位置和角度进行采样,让车行驶到采样点,然后方向盘左打前进一段距离,然后再向后倒泊入。

同样,我们也可以多次前进后退,再泊入车位。

3.4 控制

3.4.1 车辆运动学模型

基于车辆运动学模型的控制方法主要考虑了 车辆的运动学约束对车辆控制的影响。首先了解一下常见的车辆运动学模型:

平时见到的汽车属于阿克曼转向,通常可以简化为两轮的自行车模型

其假设车辆的前后轮均为刚体,只能沿着车轮滚动的方向前进,无侧向滑动。由上述假设可得自行车模型的运动微分方程如下式:

角速度和角速度的关系:v=ωr,即 ω=v/r,因此这里

其他的比较简单,就不加以说明。

3.4.2 横向控制

后轮反馈式(Rear wheel feedback)是利用 后轮中心的路径跟踪偏差量 来进行转向控制量计算的方法

根据运动学方程(2-1)及车辆后轮与参考路径的几何关系

可推导出参考路径坐标系 (�, �)

Ferent 坐标系下 (�, �, ψ�) 的变化率为:

Frenet坐标系使用道路的中心线作为参考线,使用参考线的切线向量和法线向量 建立坐标系,那么基于参考线的位置,就可以使用纵向距离和横向距离来描述任意位置,同时纵向和横向的速度、加速度、加加速度等信息也更便于计算。

对于二次连续可导的参考线,需要设计车身横摆角速度�保证在李亚普洛夫方程下局部渐进收敛:

对于李亚普洛夫稳定也分为渐进稳定和指数稳定。李亚普洛夫稳定性理论是从能量的观点出发的。系统的能量随着时间的推移不断变化(增加or减少),在有限时间内,系统趋于稳定,能量不再变化。此时,系统的k+1时刻的能量减去k时刻的能量是<0的,即V(k+1)-V(k)<0,V代表能量函数。渐进稳定指对于时变系统,�在条件(1)下独立于时间t1,指数稳定指收敛率是以指数下降。对于后轮反馈式算法,为了保证车辆的李亚普洛夫稳定性,车身横摆角速度�可表示为下式:

其中, �ψ 为横摆角偏差反馈控制增益, �e 为横向位置偏差反馈控制增益

因此,根据运动学方程,可得到前轮转角�为:

3.4.3 纵向控制

纵向控制主要为速度控制,通过控制刹车、油门、档位等实现对车速的控制,对于自动挡车辆来说,控制对象其实就是刹车和油门。

纵向控制原理

纵向控制的工作原理如图所示。它主要由“位移-速度闭环PID控制器”、“速度-加速度闭环PID控制器”和“速度-加速度-刹车/油门”开环控制器构成。

行业现状

近年来,各大主机厂加大对自动泊车系统的投入力度,纷纷推出搭载自动泊车系统的车型, 国内新车自动泊车前装渗透率持续上升。数据显示, 2022 年 1-5 月,国内新车 APA 搭载量达 95.7 万辆, APA 渗透率达到13.6%。2021 年,国内新车 APA 搭载量达 243.7 万辆, APA 渗透率达到 11.9%, 同比增长 17.8%。下面将几家主流主机厂的自动泊车搭载信息进行对比:

主流供应商方案,包括恒科技、魔视智能、知行科技、东软睿智。

展望未来

从APA到AVP,自动泊车技术在不断进步,自动驾驶行业也在不断发展,对于自动泊车,或者是对任何的产品而言,创新永远是这个产品不竭的生命力。回到我们的主题,对于自动泊车让我们一起想象一个故事:有一天一个新手司机开车去上班,到停车场后尝试多次都无法将车停进狭小(可能并没那么狭小)的车位,这时他(她)已经要迟到了,车内突然传来一声:你先去上班,我来帮你停车!他(她)泪流满面对的说了一声:谢谢!然后立刻下车飞奔电梯口,而车子则自己缓缓的停进了车位。

上面这个故事虽然是我们自己编造的,但这也许就是自动泊车诞生的初衷。言归正传,文章开头提到了自动泊车的技术演进,其实仔细看更是这项技术应用场景的不断创新和迭代。从最开始的仅仅是将车泊入车位,到后面的遥控泊车,再到代客泊车,都在不断的进行场景创新和扩展从而解决用户的需求:我无法自己将车停进车位->我将车停到车位但是位置太窄我无法下车->我没时间去停车……面对这样一个个的需求,自动泊车的应用场景不断的创新和增加,用户的痛点被解决,体验不断向好。我们有理由相信在不远的将来完全自动驾驶系统将会规模落地,那时将是另一番场景!

免责声明:

凡本公众号注明“来源:XXX(非智车科技)”的作品,均转载自其它媒体,转载目的在于传递和分享更多信息,并不代表本平台赞同其观点和对其真实性负责,版权归原作者所有,如有侵权请联系我们删除。

东莞潜星电子科技有限公司 版权所有